产品特点:
将马达、减速机、无段变速机 做最佳搭配组合
体积小。底座使用FC铸造。噪音小, 稳定性良好
安装方便,客户只须4孔基础孔即可
加装皮带保护盖,防尘,保护操作者 安全
| APH-BS型组合表(Spifications) |
型式 (Size) |
使用马达 |
变速机 |
皮带番号 |
变速比 |
蜗输机型式 |
减速比 |
| APH-02BS |
200W-4P |
AH-90 PH-106 |
1022V220 |
1:4 |
#-50 |
1/10 | | | | | 1/60 |
| APH-05BS |
400W-4P |
AH-124 PH-124 |
1422V270 |
1:3.5 |
#-60 |
| APH-1BS |
750W-4P |
AH-140 PH-155 |
1422V270 |
1:4 |
#-70 |
| APH-2BS |
1.5KW-4P |
AH-155 PH-185 |
1922V298 |
1:4 |
#-80 |
| APH-3BS |
2.2KW-4P |
AH-155 PH-185 |
1922V338 |
1:4 |
#-100 |
| APH-5BS |
3.7KW-4P |
AH-185 PH-224 |
41*1063 |
1:4 |
#-120 |
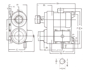
| APH-BS尺寸表(Dimensions) |
| 型式 |
A |
B |
B1 |
B2 |
B3 |
C |
D1 |
D2 |
E |
F |
H |
I |
J |
K |
L |
M |
N |
O |
P |
Q |
R |
S |
T |
U |
W |
| APH-02BS |
325 |
320 |
125 |
90 |
52 |
150 |
70 |
90 |
240 |
180 |
225 |
60 |
90 |
95 |
200 |
290 |
200 |
11 |
10 |
40 |
165 |
17 |
15 |
19 |
5 |
| APH-05BS |
435 |
370 |
157 |
120 |
80 |
175 |
86 |
96 |
290 |
195 |
260 |
68 |
97.5 |
110 |
242 |
340 |
220 |
12 |
10 |
50 |
185 |
22 |
15 |
25 |
7 |
| APH-1BS |
440 |
425 |
165 |
140 |
70 |
195 |
86 |
110 |
290 |
240 |
295 |
73 |
120 |
120 |
230 |
350 |
280 |
15 |
10 |
60 |
210 |
28 |
20 |
31 |
7 |
| APH-2BS |
470 |
490 |
200 |
165 |
105 |
220 |
86 |
121 |
320 |
270 |
325 |
73 |
135 |
130 |
249 |
380 |
310 |
15 |
10 |
65 |
235 |
32 |
20 |
35.5 |
10 |
| APH-3BS |
560 |
568 |
228 |
200 |
130 |
250 |
86 |
150 |
390 |
320 |
380 |
93 |
160 |
140 |
308 |
450 |
360 |
15 |
10 |
75 |
265 |
38 |
20 |
41.5 |
10 |
| APH-5BS |
625 |
650 |
230 |
200 |
130 |
300 |
86 |
150 |
430 |
390 |
445 |
110 |
195 |
160 |
327 |
560 |
410 |
20 |
20 |
85 |
285 |
45 |
20 |
48.5 |
12 |
|